Supermicro H8SGL
| Supermicro H8SGL | |
|---|---|
| Overview | |
| Introduced | 2010 |
| Manufacturer | SuperMicro |
| Specifications | |
| Socket | 1x G34 |
| Northbridge | AMD SR5650 |
| Southbridge | AMD SP5100 |
| Super I/O | Winbond W83527HG |
| BMC | Nuvoton WPCM450 |
| BMC Flash Location | Onboard |
| Memory | 8 slots (4 channels) DDR3-1600 ECC UDIMM/RDIMM/LRDIMM, up to 256GB |
| BIOS Flash | 2 MiB soldered SOIC-8 (W25Q16V) |
| Form Factor | ATX |
| Power Inputs | 1x 8-pin EPS |
| Expansion Slots |
|
| Onboard Peripherals | |
| Graphics Adapter | Matrox G200eW |
| Network Interface | 2x Intel 82574L Gigabit |
| Storage Controller | SP5100's SATA2 (3.0 Gbps) |
| USB Controller | SP5100's onboard USB 2.0 |
| Serial Interface | One external, one internal |
| Audio Interface | None |
The H8SGL motherboard is highly supported by coreboot-15h.
Open Source Firmware
Open source firmware for the H8SGL is provided by coreboot-15h utilizing AMD's open source AGESA and CIMx releases for platform initialization.
coreboot-15h
Supported motherboard variants:
- H8SGL
- H8SGL-F
Release
|
Notes
|
Download Options
|
| 2025.11.18-v4.11-4094163932a |
|
|
| 2025.11.09-v4.11-6f1fd5cf220 |
|
|
| 2025.10.31-v4.11-c71dd7896fe |
|
|
| 2025.09.15-v4.11-58cfb23a680 |
|
|
Missing Features
- Support 6100 series Opteron CPUs is untested.
- Support for the two onboard serial ports is untested.
- Support for the onboard BMC is untested.
Flashing
To switch from the stock firmware to coreboot, external flashing is required. The flash chip is located between PCI slots 2 and 3, near the SP5100.
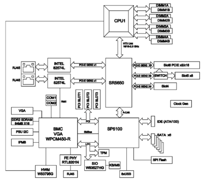
Motherboard Diagrams
The SP5100 is incorrectly labeled "SR5100" in the board diagram.
Motherboard Components
Socket G34

G34 was launched on March 29, 2010. It supports 10h and 15h Opteron CPU's[1]. All G34 Opteron CPUs are dual node processors with two NUMA nodes.
AMD Opteron 6100 Series
Processors in the AMD Opteron 6100 Series were designed with the K10 microarchitecture and are compatible with the G34 socket.
Official Source Code and Documentation
- AGESA Source Code
- AGESA Interface Specification
- BIOS and Kernel Developer's Guide
- Product Data Sheet
- Power and Thermal Data Sheet
Reverse Engineering and Analysis
AMD Opteron 6200 and 6300 Series
Processors in the AMD Opteron 6200 and 6300 Series were designed with the Bulldozer (6200 series) and Piledriver (6300 series) microarchitectures and are compatible with the G34 socket.
Official Source Code and Documentation
- AGESA Source Code
- AGESA Interface Specification
- BIOS and Kernel Developer's Guide
- Product Data Sheet
- Software Optimization Guide
Reverse Engineering and Analysis
AMD SR5650
The AMD SR5650, previously known as RD870S, is a powerful system logic designed for the server/workstation platform. The SR5650 boasts 26 PCI Express® (PCIe®) lanes, with 22 lanes dedicated to external PCIe devices and 4 for the A-Link Express II interface to AMD's Southbridges like the SP5100 (formerly SB700S). The chipset is also equipped with the latest HyperTransportTM 3 and PCIe Gen 2 technologies, delivering exceptional performance in a compact 29mm x 29mm package.[2]
Official Source Code and Documentation
- CIMx Source Code
- BIOS Developer's Guide
- IOMMU Specification
- Register Reference Guide
- Register Programming Requirements
- Product Databook
- Product Errata
AMD SP5100
The AMD SP5100 is a versatile Southbridge designed to complement AMD's server Northbridges, integrating essential I/O, communication, and other features for advanced server platforms into a single device. [3]
Official Source Code and Documentation
- CIMx Source Code
- BIOS Developer's Guide
- Register Reference Guide
- Register Programming Requirements
- Product Databook
- Product Errata
Part Numbers
- AMD 218-0660013
- AMD 218-0660024
- AMD 218-0660026
Winbond W83527HG
The Winbond W83527HG is a member of Nuvoton’s LPC Super I/O product line for desktop PCs.
Nuvoton W83795G
The Nuvoton W83795G/ADG can be used to monitor several critical hardware parameters of a system; including power supply voltages, fan speeds, and temperatures.
Nuvoton WPCM450
The Nuvoton WPCM450 is a combined Baseboard Management Controller and 2D/VGA-compatible Graphics Core with PCI Interface, Virtual Media, Keyboard and KVMR Module[4]. Multiple vendors shipped the WPCM450 with Linux, making it feasible to build an open source replacement for the original BMC firmware[5][6][7]. 3rd party documentation and tools have been developed by neuschaefer and are available on github. The WPCM450 appears to be related to, or based on, the Winbond W90N745.
References
- ↑ https://en.wikipedia.org/wiki/Socket_G34
- ↑ https://theretroweb.com/chips/5698
- ↑ https://theretroweb.com/chips/5699
- ↑ https://theretroweb.com/chips/10379
- ↑ https://github.com/neuschaefer/linux/tree/vendor/wpcm450-aten
- ↑ https://github.com/neuschaefer/linux/tree/vendor/wpcm450-ami
- ↑ https://github.com/neuschaefer/linux/tree/vendor/dell-idrac6-1.70